Roue d'appui ATK60V (capacité de charge accrue)
Roue d'appui ATK60V (capacité de charge accrue)
Informations de prix
Prix catalogue118,00 €
Prix internet94,00 €
Prix TVA incluse (0.00% - United States)*
EAN : 4250269200956
*Tous les prix sont TTC et hors frais d'expédition. Le prix internet indiqué n'est valable que pour des commandes dans cette boutique en ligne. Nos employés ne peuvent pas vous accorder ces conditions par téléphone, par fax ou par e-mail.
Prix à la date du : 20.08.2024
-
Numéro d'article: 414005.001
Poignée de manœuvre pour roue de support Ø 60 mm
D2 : 60 mm
-
Numéro d'article: 209717.001
Entretoise de roue d'appui angle de montage 107°
Surface : galvanisé à chaud
Diamètre du tube de la roue d'appui : 60 mm
-
Numéro d'article: 209717.002
Support de roue d'appui angle de montage 124°.
Surface : galvanisé à chaud
Diamètre du tube de la roue d'appui : 60 mm
-
Numéro d'article: 415100.001
Roue en caoutchouc solide NQ
Type : Niederquerschnitt
Charge axiale : Caoutchouc solide
Type de jante : Jante en tôle
Dimension : 200x50
Moyeu : Ø20x60
capacité de charge statique max. : 500
-
Numéro d'article: 406024.001
Axe traversant
Type : für Stützräder 84xØ20x2
-
Numéro d'article: 4802919X
Manivelle
Type : Stützrad TK60 / ATK60
Longueur : 140 mm
perçage : 17 mm
-
Numéro d'article: 419332.001
Roulement axial
Type : für TK60 / ATK60
Diamètre extérieur : 25.2 mm
Diamètre intérieur : 17.1 mm
-
Numéro d'article: 421093.001
Boulon de verrouillage
Type : für ATK60V verstärkt
-
Numéro d'article: 204612.001
Bouton lâche
perçage : Ø10,5 mm
-
Numéro d'article: 423327.001
Manivelle ergonomique
Type : Stützrad TK60 / ATK60
Longueur : 140 mm
perçage : 27 mm
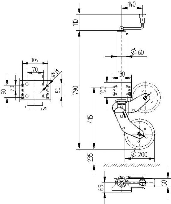
Roue avant, roue de support de remorque
Jante :
en tôle d'acier
Roue :
200 x 50 mm
caoutchouc plein
Traitement de surface :
électro-galvanisé
charge statique admissible Kg max.
500,00
Poids Kg
10,50
Les clients qui ont acheté ce produit ont aussi acheté les produits suivants :
Jeu de mâchoires de frein
61,04 €
Informations de prix
Prix catalogue122,12 €
Prix internet91,78 €
Offre spéciale61,04 €
Prix TVA incluse*
Câble de traction
3,43 €
Informations de prix
Prix catalogue7,68 €
Prix internet3,43 €
Prix TVA incluse*










